Главная > Подшипники> Шариковые> Радиальные>SMR95ZZ

SMR95ZZ — Подшипник шариковый из нержавеющей стали, импортное производство по ISO стандарту, размер 5x9x3 номер основного исполнения SMR95.
Производитель: AST.
ZZ = Два металлических экрана.
Цена от:43 р.
Цена на подшипник зависит от:
Габаритные размеры
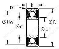
Размеры и геометрические характеристики
Нагрузка и ресурс
Присоединительные размеры
Конструкция и исполнение
Прочие характеристики
Подшипник однорядный шариковый радиальный BC5-9ZZ (NTN)
Радиальный шарикоподшипник F-WB-9ZZ (NTN)
Радиальный шарикоподшипник F-FLWB-9ZZ (NTN)
Подшипник однорядный шариковый радиальный L-950ZZ (NIS, NMB)
Подшипник однорядный шариковый радиальный LF-950ZZ (NIS, NMB)
Радиальный шарикоподшипник SMF95-2Z (ZEN)