Главная > Подшипники> Шариковые> Радиальные>SMR93ZZ

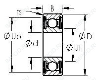
SMR93ZZ — Подшипник шариковый из нержавеющей стали, импортное производство по ISO стандарту, размер 3x9x4 номер основного исполнения SMR93.
Производитель: AST.
ZZ = Два металлических экрана.
Цена от:47 р.
Цена на подшипник зависит от:
Габаритные размеры
Размеры и геометрические характеристики
Нагрузка и ресурс
Присоединительные размеры
Конструкция и исполнение
Прочие характеристики
Радиальный шарикоподшипник BC3-9ZZA (NTN)
Подшипник однорядный шариковый радиальный F2DD-2 (TIMKEN)
Радиальный шарикоподшипник FL693ZZ (NTN)
Радиальный шарикоподшипник FLW693Z (NTN)
Радиальный шарикоподшипник SMF93-2Z (ZEN)