Главная > Подшипники> Шариковые> Радиальные>SMR82X

SMR82X — Радиальный шарикоподшипник, импортное производство по ISO стандарту, размер 2x8x2 номер основного исполнения 82.
Производится брендами: AST, ZEN.
X = Внешние размеры, соответствующие международным стандартам.
Цена по запросу
Цена на подшипник зависит от:
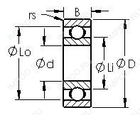
Габаритные размеры
Размеры и геометрические характеристики
Нагрузка и ресурс
Защита
Присоединительные размеры
Конструкция и исполнение
Прочие характеристики
Подшипник шариковый радиальный 4-7601/2.5 Ю5ТП
Подшипник шариковый радиальный однорядный с одной защитной шайбой 6001/2.5
Подшипник шариковый радиальный однорядный с двумя защитными шайбами 8001/2.5
Подшипник шариковый радиальный однорядный с упорным бортом на наружном кольце 84001/2.5
Подшипник шариковый радиальный однорядный с упорным бортом на наружном кольце 86001/2.5