Главная > Подшипники> Шариковые> Радиальные>SMR52

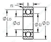
SMR52 — Радиальный шарикоподшипник, импортное производство по ISO стандарту, размер 2x5x2 основное исполнение.
Производится брендами: AST, ZEN.
Цена от:58 р.
Цена на подшипник зависит от:
Габаритные размеры
Размеры и геометрические характеристики
Нагрузка и ресурс
Защита
Присоединительные размеры
Конструкция и исполнение
Прочие характеристики
Подшипник шариковый радиальный однорядный с одной защитной шайбой 3060082
Подшипник шариковый радиальный однорядный с двумя защитными шайбами 3080082
Подшипник шариковый радиальный однорядный с упорным бортом на наружном кольце и одной защитной шайбой 3860082
Подшипник шариковый радиальный однорядный с упорным бортом на наружном кольце и двумя защитными шайбами 3880082
Подшипник шариковый радиальный 6-3860082 Ю
Подшипник шариковый радиальный 80082