Главная > Подшипники> Шариковые> Радиальные>SMR148ZZ

SMR148ZZ — Подшипник шариковый из нержавеющей стали, импортное производство по ISO стандарту, размер 8x14x4 номер основного исполнения SMR148.
Производитель: AST.
ZZ = Два металлических экрана.
Цена от:42 р.
Цена на подшипник зависит от:
| Обозначение | Модификация |
|---|---|
| SMR148 | Основное конструктивное исполнение. |
| SMR148-2Z | 2Z = Металлические шайбы с каждой стороны подшипника. |
| SMR148-2RS | Резиновые уплотнения с каждой стороны подшипника. |
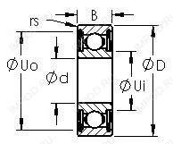
Габаритные размеры
Размеры и геометрические характеристики
Нагрузка и ресурс
Присоединительные размеры
Конструкция и исполнение
Прочие характеристики
Подшипник однорядный шариковый радиальный BC8-14ZZ (NTN)
Радиальный шарикоподшипник F-FLWBC8-14ZZ (NTN)
Радиальный шарикоподшипник F-FLWBC8-14LL (NTN)
Радиальный шарикоподшипник F-WBC8-14LL (NTN)
Радиальный шарикоподшипник F-WBC8-14ZZ (NTN)
Радиальный шарикоподшипник FLWBC8-14ZZ (NTN)