Главная > Подшипники> Шариковые> Радиальные>SMN407W-BR

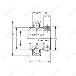
SMN407W-BR — Радиальный шарикоподшипник, импортное производство по ISO стандарту, размер 112x240x106 номер основного исполнения .
Производитель: TIMKEN.
W = Без кольцевой канавки и смазочных отверстий в наружном кольце. B = Измененная внутрення конструкция или ее модификация при неизменных основных размерах. Как правило, значение буквы привязано к определенной серии подшипника.
Цена по запросу
Цена на подшипник зависит от:
Габаритные размеры
Размеры и геометрические характеристики
Нагрузка и ресурс
Защита
Присоединительные размеры
Конструкция и исполнение
Другие размеры