Главная > Подшипники> Шариковые> Радиальные>SMN315K

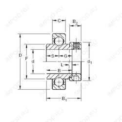
SMN315K — Радиальный шарикоподшипник, импортное производство по ISO стандарту, размер 100x215x100 номер основного исполнения .
Производитель: TIMKEN.
К = Коническая посадка, конусность 1:12.
Цена по запросу
Цена на подшипник зависит от:
Габаритные размеры
Размеры и геометрические характеристики
Нагрузка и ресурс
Защита
Присоединительные размеры
Конструкция и исполнение
Другие размеры
Радиальный шарикоподшипник GN315KRRB (TIMKEN)
Радиальный шарикоподшипник SMN315KB (TIMKEN)