Главная > Подшипники> Шариковые> Радиальные>SMN206KB

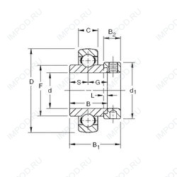
SMN206KB — Радиальный шарикоподшипник, импортное производство по ISO стандарту, размер 60x130x61 номер основного исполнения .
Производитель: TIMKEN.
B = однокомпонентное ребристое внутреннее кольцо.
Цена по запросу
Цена на подшипник зависит от:
Габаритные размеры
Размеры и геометрические характеристики
Нагрузка и ресурс
Защита
Присоединительные размеры
Конструкция и исполнение
Другие размеры
Радиальный шарикоподшипник SMN206K (TIMKEN)
Радиальный шарикоподшипник UELS312D1N (NTN)