Главная > Подшипники> Шариковые> Радиальные>SMN204K

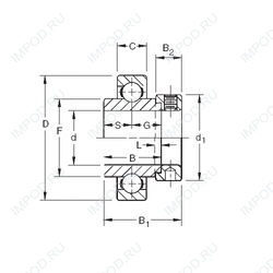
SMN204K — Радиальный шарикоподшипник, импортное производство по ISO стандарту, размер 57x130x61 номер основного исполнения .
Производитель: TIMKEN.
К = Коническая посадка, конусность 1:12.
Цена по запросу
Цена на подшипник зависит от:
Габаритные размеры
Размеры и геометрические характеристики
Нагрузка и ресурс
Защита
Присоединительные размеры
Конструкция и исполнение
Другие размеры