Главная > Подшипники> Шариковые> Радиальные>SMN114KB

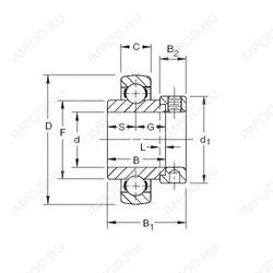
SMN114KB — Радиальный шарикоподшипник, импортное производство по ISO стандарту, размер 47x110x49 номер основного исполнения 114.
Производитель: TIMKEN.
B = однокомпонентное ребристое внутреннее кольцо.
Цена по запросу
Цена на подшипник зависит от:
| Обозначение | Модификация |
|---|---|
| SMN114K | К = Коническая посадка, конусность 1:12. |
| B17-114D | D = профиль наружного кольца, усовершенствованный, с увеличенной зоной несущей нагрузки и оптимизированными краевыми переходами. |
| GN114KRRB | KRR = Манжетные уплотнения на обеих сторонах (тип R - имеет цинковую внутреннюю и внешнюю крышку. Между крышками на поверхности основания находится губка уплотнения NBR). B = подшипник со сферическим наружным кольцом. |
| B17-114DDWAXC4 | C4 = Радиальный внутренний зазор больше C3. |
Габаритные размеры
Размеры и геометрические характеристики
Нагрузка и ресурс
Защита
Присоединительные размеры
Конструкция и исполнение
Другие размеры