Главная > Подшипники> Шариковые> Радиальные>SMN110K

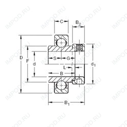
SMN110K — Радиальный шарикоподшипник, импортное производство по ISO стандарту, размер 41x100x42 номер основного исполнения .
Производитель: TIMKEN.
К = Коническая посадка, конусность 1:12.
Цена по запросу
Цена на подшипник зависит от:
Габаритные размеры
Размеры и геометрические характеристики
Нагрузка и ресурс
Защита
Присоединительные размеры
Конструкция и исполнение
Другие размеры
Подшипник для корпуса GN110KRRB (TIMKEN)
Радиальный шарикоподшипник SMN110KB (TIMKEN)