Главная > Подшипники> Шариковые> Радиальные>SMN108K

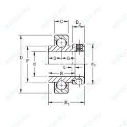
SMN108K — Радиальный шарикоподшипник, импортное производство по ISO стандарту, размер 38x90x41 номер основного исполнения .
Производитель: TIMKEN.
К = Коническая посадка, конусность 1:12.
Цена по запросу
Цена на подшипник зависит от:
Габаритные размеры
Размеры и геометрические характеристики
Нагрузка и ресурс
Защита
Присоединительные размеры
Конструкция и исполнение
Другие размеры
Радиальный шарикоподшипник GN108KLLB (TIMKEN)
Радиальный шарикоподшипник GN108KRRB (TIMKEN)
Радиальный шарикоподшипник SMN108KB (TIMKEN)