Главная > Подшипники> Шариковые> Радиальные>SMN107KB

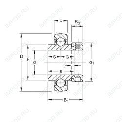
SMN107KB — Радиальный шарикоподшипник, импортное производство по ISO стандарту, размер 36x80x38 номер основного исполнения .
Производитель: TIMKEN.
B = однокомпонентное ребристое внутреннее кольцо.
Цена по запросу
Цена на подшипник зависит от:
Габаритные размеры
Размеры и геометрические характеристики
Нагрузка и ресурс
Защита
Присоединительные размеры
Конструкция и исполнение
Другие размеры
Подшипник для корпуса GN107KLLB (TIMKEN)
Подшипник для корпуса GN107KRRB (TIMKEN)
Радиальный шарикоподшипник SMN107K (TIMKEN)