Главная > Подшипники> Шариковые> Радиальные>SMN104K

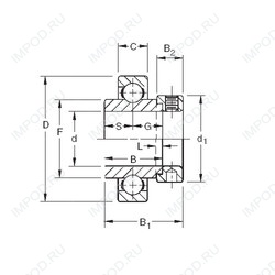
SMN104K — Радиальный шарикоподшипник, импортное производство по ISO стандарту, размер 31x80x38 номер основного исполнения .
Производитель: TIMKEN.
К = Коническая посадка, конусность 1:12.
Цена по запросу
Цена на подшипник зависит от:
Габаритные размеры
Размеры и геометрические характеристики
Нагрузка и ресурс
Защита
Присоединительные размеры
Конструкция и исполнение
Другие размеры
Радиальный шарикоподшипник GN104KRRB (TIMKEN)
Радиальный шарикоподшипник GN104KLLB (TIMKEN)
Радиальный шарикоподшипник SMN104KB (TIMKEN)