Главная > Подшипники> Шариковые> Радиальные>SMN100K

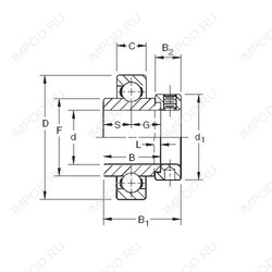
SMN100K — Радиальный шарикоподшипник, импортное производство по ISO стандарту, размер 25x62x34 номер основного исполнения .
Производитель: TIMKEN.
К = Коническая посадка, конусность 1:12.
Цена по запросу
Цена на подшипник зависит от:
Габаритные размеры
Размеры и геометрические характеристики
Нагрузка и ресурс
Защита
Присоединительные размеры
Конструкция и исполнение
Другие размеры
Подшипник шариковый радиально-упорный сдвоенный, наружный кольца обращены друг к другу широкими торцами 246305
Подшипник шариковый радиально-упорный 256605 Е1 (ГПЗ-23)
Подшипник шариковый радиально-упорный сдвоенный, наружный кольца обращены друг к другу широкими торцами 266305
Подшипник шариковый радиально-упорный сдвоенный 2В0-466305 К (ГПЗ-8)
Подшипник шариковый радиально-упорный спаренный 2В0-426305 К (ГПЗ-8)
Подшипник шариковый радиально-упорный сдвоенный 346305