Главная > Подшипники> Шариковые> Радиальные>SMN013KB

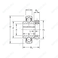
SMN013KB — Радиальный шарикоподшипник, импортное производство по ISO стандарту, размер 20x62x34 номер основного исполнения .
Производитель: TIMKEN.
B = однокомпонентное ребристое внутреннее кольцо.
Цена по запросу
Цена на подшипник зависит от:
Габаритные размеры
Размеры и геометрические характеристики
Нагрузка и ресурс
Защита
Присоединительные размеры
Конструкция и исполнение
Другие размеры