Главная > Подшипники> Шариковые> Радиальные>SMF84ZZ

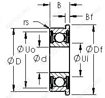
SMF84ZZ — Подшипник шариковый из нержавеющей стали, импортное производство по ISO стандарту, размер 4x8x3 номер основного исполнения SMF84.
Производитель: AST.
ZZ = Два металлических экрана.
Цена от:67 р.
Цена на подшипник зависит от:
Габаритные размеры
Размеры и геометрические характеристики
Нагрузка и ресурс
Присоединительные размеры
Конструкция и исполнение
Прочие характеристики
Подшипник шариковый радиальный однорядный с двумя защитными шайбами 22-80084ЮТС21
Подшипник шариковый радиальный 80084
Радиальный шарикоподшипник BC4-8ZZ (NTN)
Радиальный шарикоподшипник F-WB-8ZZ (NTN)
Радиальный шарикоподшипник F-FLWB-8ZZ (NTN)
Радиальный шарикоподшипник FLWB-8ZZ (NTN)