Главная > Подшипники> Шариковые> Радиальные>SMF117-2RS

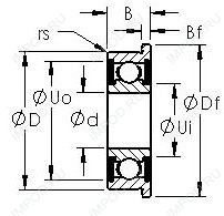
SMF117-2RS — Радиальный шарикоподшипник, импортное производство по ISO стандарту, размер 7x11x3 номер основного исполнения SMF117.
Производится брендами: AST, ZEN.
Резиновые уплотнения с каждой стороны подшипника.
Цена по запросу
Цена на подшипник зависит от:
Габаритные размеры
Размеры и геометрические характеристики
Нагрузка и ресурс
Защита
Присоединительные размеры
Конструкция и исполнение
Прочие характеристики
Подшипник шариковый радиальный 617/7 ZZ (CX, ISO)
Подшипник однорядный шариковый радиальный 677ZZ (NTN)
Подшипник однорядный шариковый радиальный F-677 (NTN)
Радиальный шарикоподшипник F-WA677ZZ (NTN)
Подшипник шариковый радиальный FL617/7 ZZ (CX, ISO)
Подшипник однорядный шариковый радиальный L-1170ZZ (NIS, NMB)