Главная > Подшипники> Шариковые> Радиальные>SMF106-TT

SMF106-TT — импортное производство по ISO стандарту, размер 6x10x3 номер основного исполнения SMF106.
Производитель: AST.
T = Механически обработанный сепаратор из текстолита, центрируемый по телам качения.
Цена от:70 р.
Цена на подшипник зависит от:
| Обозначение | Модификация |
|---|---|
| SMF106 | Основное конструктивное исполнение. |
| SMF106ZZ | ZZ = Два металлических экрана. |
| SMF106-2Z | 2Z = Металлические шайбы с каждой стороны подшипника. |
| SMF106-2RS | Резиновые уплотнения с каждой стороны подшипника. |
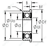
Габаритные размеры
Размеры и геометрические характеристики
Нагрузка и ресурс
Присоединительные размеры
Конструкция и исполнение
Прочие характеристики
Подшипник шариковый радиальный 3860006
Подшипник шариковый радиальный 4-3860006
Подшипник шариковый радиальный 4-3860006 ЮТ
Подшипник шариковый радиальный однорядный с упорным бортом на наружном кольце и двумя защитными шайбами 5-3880076 ЮС1
Подшипник шариковый радиально-упорный 4-3646006 ЮТ
Подшипник шариковый радиальный 617/6 ZZ (CX, ISO)