Главная > Подшипники> Шариковые> Радиальные>SMF104ZZ

SMF104ZZ — Подшипник шариковый из нержавеющей стали, импортное производство по ISO стандарту, размер 4x10x4 номер основного исполнения SMF104.
Производитель: AST.
ZZ = Два металлических экрана.
Цена от:74 р.
Цена на подшипник зависит от:
| Обозначение | Модификация |
|---|---|
| SMF104 | Основное конструктивное исполнение. |
| SMF104-2Z | 2Z = Металлические шайбы с каждой стороны подшипника. |
| SMF104-2TS | S = смазочный паз и три отверстия в наружном кольце подшипника. |
| SMF104-2RS | Резиновые уплотнения с каждой стороны подшипника. |
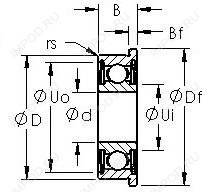
Габаритные размеры
Размеры и геометрические характеристики
Нагрузка и ресурс
Присоединительные размеры
Конструкция и исполнение
Прочие характеристики
Подшипник шариковый радиальный 80054
Радиальный шарикоподшипник AB40585 (SNR)
Радиальный шарикоподшипник BC4-10ZZ (NTN)
Радиальный шарикоподшипник F-FLAWB-10ZZ (NTN)
Радиальный шарикоподшипник F-WB-10ZZ (NTN)
Радиальный шарикоподшипник FL684AX50ZZ (NTN)