Главная > Подшипники> Шариковые> Радиальные>SM1208K

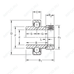
SM1208K — Радиальный шарикоподшипник, импортное производство по ISO стандарту, размер 63x120x68 номер основного исполнения .
Производитель: TIMKEN.
К = Коническая посадка, конусность 1:12.
Цена по запросу
Цена на подшипник зависит от:
Габаритные размеры
Размеры и геометрические характеристики
Нагрузка и ресурс
Защита
Присоединительные размеры
Конструкция и исполнение
Другие размеры
Радиальный шарикоподшипник SM1208KB (TIMKEN)
Подшипник для корпуса YAR213-208-2RF (SKF)
Подшипник для корпуса YAR213-208-2F (SKF)