Главная > Подшипники> Шариковые> Радиальные>SM1207K

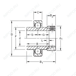
SM1207K — Радиальный шарикоподшипник, импортное производство по ISO стандарту, размер 61x110x61 номер основного исполнения .
Производитель: TIMKEN.
К = Коническая посадка, конусность 1:12.
Цена по запросу
Цена на подшипник зависит от:
Габаритные размеры
Размеры и геометрические характеристики
Нагрузка и ресурс
Защита
Присоединительные размеры
Конструкция и исполнение
Другие размеры
Подшипник для корпуса 1207KRR (TIMKEN)
Радиальный шарикоподшипник 1207KR (TIMKEN)
Подшипник для корпуса 1207KRRB (TIMKEN)
Радиальный шарикоподшипник 1207KL (TIMKEN)
Подшипник для корпуса G1207KRRB (TIMKEN)
Подшипник для корпуса G1207KRR (TIMKEN)