Главная > Подшипники> Шариковые> Радиальные>SM1206K

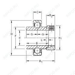
SM1206K — Радиальный шарикоподшипник, импортное производство по ISO стандарту, размер 60x110x61 номер основного исполнения .
Производитель: TIMKEN.
К = Коническая посадка, конусность 1:12.
Цена по запросу
Цена на подшипник зависит от:
Габаритные размеры
Размеры и геометрические характеристики
Нагрузка и ресурс
Защита
Присоединительные размеры
Конструкция и исполнение
Другие размеры
Подшипник для корпуса E60-KRR (INA, TIMKEN)
Радиальный шарикоподшипник E60KRRB (TIMKEN)
Радиальный шарикоподшипник G1206KRRB (TIMKEN)
Подшипник для корпуса G1206KLLB (TIMKEN)
Подшипник для корпуса GE60-KRR-B-FA164 (INA)
Подшипник для корпуса GE60-KRR-B (INA, NKE, TIMKEN)