Главная > Подшипники> Шариковые> Радиальные>SM1204KB

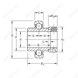
SM1204KB — Радиальный шарикоподшипник, импортное производство по ISO стандарту, размер 57x110x61 номер основного исполнения .
Производитель: TIMKEN.
B = однокомпонентное ребристое внутреннее кольцо.
Цена по запросу
Цена на подшипник зависит от:
Габаритные размеры
Размеры и геометрические характеристики
Нагрузка и ресурс
Защита
Присоединительные размеры
Конструкция и исполнение
Другие размеры
Радиальный шарикоподшипник 1204KRR (TIMKEN)
Радиальный шарикоподшипник 1204KRRB (TIMKEN)
Радиальный шарикоподшипник G1204KRRB (TIMKEN)
Радиальный шарикоподшипник G1204KLLB (TIMKEN)
Радиальный шарикоподшипник G1204KLL (TIMKEN)
Радиальный шарикоподшипник SM1204K (TIMKEN)