Главная > Подшипники> Шариковые> Радиальные>SM1203KB

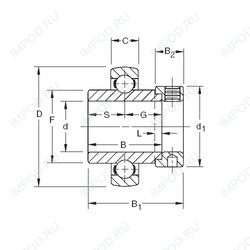
SM1203KB — Радиальный шарикоподшипник, импортное производство по ISO стандарту, размер 55x100x55 номер основного исполнения .
Производитель: TIMKEN.
B = однокомпонентное ребристое внутреннее кольцо.
Цена по запросу
Цена на подшипник зависит от:
Габаритные размеры
Размеры и геометрические характеристики
Нагрузка и ресурс
Защита
Присоединительные размеры
Конструкция и исполнение
Другие размеры
Подшипник шариковый радиальный 480211
Подшипник шариковый радиальный 480211К
Радиальный шарикоподшипник 1203KLLB (TIMKEN)
Радиальный шарикоподшипник 1203KRR (TIMKEN)
Радиальный шарикоподшипник 1203KL (TIMKEN)
Радиальный шарикоподшипник 1203KLL (TIMKEN)