Главная > Подшипники> Шариковые> Радиальные>SM1201KB

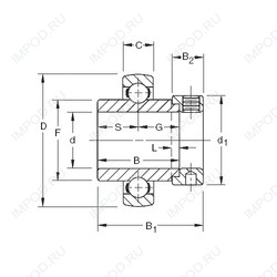
SM1201KB — Радиальный шарикоподшипник, импортное производство по ISO стандарту, размер 52x100x55 номер основного исполнения .
Производитель: TIMKEN.
B = однокомпонентное ребристое внутреннее кольцо.
Цена по запросу
Цена на подшипник зависит от:
Габаритные размеры
Размеры и геометрические характеристики
Нагрузка и ресурс
Защита
Присоединительные размеры
Конструкция и исполнение
Другие размеры
Радиальный шарикоподшипник G1201KPPB4 (TIMKEN)
Радиальный шарикоподшипник G1201KLLB (TIMKEN)
Радиальный шарикоподшипник G1201KRRB (TIMKEN)
Радиальный шарикоподшипник GY1201KRRB (TIMKEN)
Радиальный шарикоподшипник SM1201K (TIMKEN)