Главная > Подшипники> Шариковые> Радиальные>SM1113K

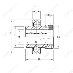
SM1113K — Радиальный шарикоподшипник, импортное производство по ISO стандарту, размер 46x90x49 номер основного исполнения .
Производитель: TIMKEN.
К = Коническая посадка, конусность 1:12.
Цена по запросу
Цена на подшипник зависит от:
Габаритные размеры
Размеры и геометрические характеристики
Нагрузка и ресурс
Защита
Присоединительные размеры
Конструкция и исполнение
Другие размеры
Радиальный шарикоподшипник G1113KPPB3 (TIMKEN)
Радиальный шарикоподшипник G1113KLLB (TIMKEN)
Радиальный шарикоподшипник G1113KRR (TIMKEN)
Радиальный шарикоподшипник SM1113KB (TIMKEN)
Радиально-упорный шарикоподшипник HUB098-14 (NTN)