Главная > Подшипники> Шариковые> Радиальные>SM1110K

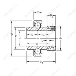
SM1110K — Радиальный шарикоподшипник, импортное производство по ISO стандарту, размер 41x85x42 номер основного исполнения .
Производитель: TIMKEN.
К = Коническая посадка, конусность 1:12.
Цена по запросу
Цена на подшипник зависит от:
Габаритные размеры
Размеры и геометрические характеристики
Нагрузка и ресурс
Защита
Присоединительные размеры
Конструкция и исполнение
Другие размеры
Радиальный шарикоподшипник 1110KLLB (TIMKEN)
Радиальный шарикоподшипник 1110KLL (TIMKEN)
Радиальный шарикоподшипник 1110KL (TIMKEN)
Радиальный шарикоподшипник 1110KRR (TIMKEN)
Радиальный шарикоподшипник 1110KRRB (TIMKEN)
Подшипник для корпуса G1110KRR (TIMKEN)