Главная > Подшипники> Шариковые> Радиальные>SM1109KT

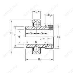
SM1109KT — Радиальный шарикоподшипник, импортное производство по ISO стандарту, размер 39x80x42 номер основного исполнения .
Производитель: TIMKEN.
K = коническое отверстие, конус 1:12. T = Литая защелкивающаяся сепаратор из армированного стекловолокном полиамида.
Цена по запросу
Цена на подшипник зависит от:
Габаритные размеры
Размеры и геометрические характеристики
Нагрузка и ресурс
Защита
Присоединительные размеры
Конструкция и исполнение
Другие размеры
Радиальный шарикоподшипник 1109KLLB (TIMKEN)
Радиальный шарикоподшипник 1109KRRB (TIMKEN)
Радиальный шарикоподшипник 1109KLL (TIMKEN)
Радиальный шарикоподшипник 1109KRR (TIMKEN)
Радиальный шарикоподшипник G1109KPPB3 (TIMKEN)
Корпус подшипника G1109KRRB (TIMKEN)