Главная > Подшипники> Шариковые> Радиальные>SM1101KB

SM1101KB — Радиальный шарикоподшипник, импортное производство по ISO стандарту, размер 26x62x36 номер основного исполнения 1101.
Производитель: TIMKEN.
B = однокомпонентное ребристое внутреннее кольцо.
Цена по запросу
Цена на подшипник зависит от:
| Обозначение | Модификация |
|---|---|
| 1101 | Основное конструктивное исполнение. |
| 1101KL | К = Коническая посадка, конусность 1:12. |
| SM1101K | К = Коническая посадка, конусность 1:12. |
| 1101KRRB | KRR = Манжетные уплотнения на обеих сторонах (тип R - имеет цинковую внутреннюю и внешнюю крышку. Между крышками на поверхности основания находится губка уплотнения NBR). B = подшипник со сферическим наружным кольцом. |
| G1101KRR | KRR = манжетные уплотнения на обеих сторонах (тип R = имеет цинковую внутреннюю и внешнюю крышку. Между крышками на поверхности основания имеется губа манжетного уплотнения NBR). |
| G1101KLL | K = LL = (Сегментное уплотнение, код 2RU) = Лабиринтные уплотнения с обеих сторон (уплотнение L-типа - все части уплотнения L-типа покрыты цинком с всех сторон для улучшения защиты от коррозии - без трения уплотнения ). |
| G1101KRRB | KRR = Манжетные уплотнения на обеих сторонах (тип R - имеет цинковую внутреннюю и внешнюю крышку. Между крышками на поверхности основания находится губка уплотнения NBR). B = подшипник со сферическим наружным кольцом. |
| G1101KPPB3 | PP = Манжетные уплотнения на обеих сторонах подшипника. B3 = Сферический наружный диаметр с эксцентриковый фиксирующим хомутом. |
| GY1101KRRB | KRR = Манжетные уплотнения на обеих сторонах (тип R - имеет цинковую внутреннюю и внешнюю крышку. Между крышками на поверхности основания находится губка уплотнения NBR). B = подшипник со сферическим наружным кольцом. |
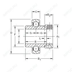
Габаритные размеры
Размеры и геометрические характеристики
Нагрузка и ресурс
Защита
Присоединительные размеры
Конструкция и исполнение
Другие размеры