Главная > Подшипники> Шариковые> Радиальные>SM1100K

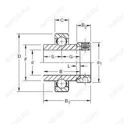
SM1100K — Радиальный шарикоподшипник, импортное производство по ISO стандарту, размер 25x52x34 номер основного исполнения .
Производитель: TIMKEN.
К = Коническая посадка, конусность 1:12.
Цена по запросу
Цена на подшипник зависит от:
Габаритные размеры
Размеры и геометрические характеристики
Нагрузка и ресурс
Защита
Присоединительные размеры
Конструкция и исполнение
Другие размеры
Подшипник шариковый упорный двойного направления 52305 (CX, FAG, ISB, ISO, KOYO)
Подшипник шариковый радиальный 480205 Н1К7УС17 (ГПЗ-23)
Подшипник шариковый радиальный 480205 Н1К7У (ГПЗ-23)
Подшипник шариковый радиальный 480505 H (ГПЗ-23)
Подшипник шариковый радиальный 480205К
Подшипник шариковый радиальный 480205