Главная > Подшипники> Шариковые> Радиальные>SM1015KB

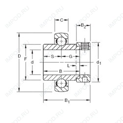
SM1015KB — Радиальный шарикоподшипник, импортное производство по ISO стандарту, размер 23x52x34 номер основного исполнения .
Производитель: TIMKEN.
B = однокомпонентное ребристое внутреннее кольцо.
Цена по запросу
Цена на подшипник зависит от:
Габаритные размеры
Размеры и геометрические характеристики
Нагрузка и ресурс
Защита
Присоединительные размеры
Конструкция и исполнение
Другие размеры
Радиальный шарикоподшипник 1015KR (TIMKEN)
Радиальный шарикоподшипник 1015KRRB (TIMKEN)
Подшипник для корпуса 1015KRR (TIMKEN)
Радиальный шарикоподшипник 1015KLLB (TIMKEN)
Радиальный шарикоподшипник 1015KLL (TIMKEN)
Радиальный шарикоподшипник 1015KL (TIMKEN)