Главная > Подшипники> Шариковые> Радиальные>SM1014KB

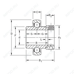
SM1014KB — Радиальный шарикоподшипник, импортное производство по ISO стандарту, размер 22x52x34 номер основного исполнения .
Производитель: TIMKEN.
B = однокомпонентное ребристое внутреннее кольцо.
Цена по запросу
Цена на подшипник зависит от:
Габаритные размеры
Размеры и геометрические характеристики
Нагрузка и ресурс
Защита
Присоединительные размеры
Конструкция и исполнение
Другие размеры
Радиальный шарикоподшипник 1014KLLB (TIMKEN)
Подшипник для корпуса 1014KRR (TIMKEN)
Радиальный шарикоподшипник 1014KLL (TIMKEN)
Подшипник для корпуса 1014KL (TIMKEN)
Радиальный шарикоподшипник 1014KRRB (TIMKEN)
Радиальный шарикоподшипник E2.YAR205-014-2F (SKF)