Главная > Подшипники> Шариковые> Радиальные>SM1013K

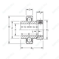
SM1013K — Радиальный шарикоподшипник, импортное производство по ISO стандарту, размер 20x52x34 номер основного исполнения .
Производитель: TIMKEN.
К = Коническая посадка, конусность 1:12.
Цена по запросу
Цена на подшипник зависит от:
Габаритные размеры
Размеры и геометрические характеристики
Нагрузка и ресурс
Защита
Присоединительные размеры
Конструкция и исполнение
Другие размеры
Радиальный шарикоподшипник G1013KPPB3 (TIMKEN)
Радиальный шарикоподшипник G1013KLLB (TIMKEN)
Радиальный шарикоподшипник G1013KRRB (TIMKEN)
Радиальный шарикоподшипник GY1013KRRB (TIMKEN)
Радиальный шарикоподшипник SM1013KB (TIMKEN)