Главная > Подшипники> Шариковые> Радиальные>SM1011K

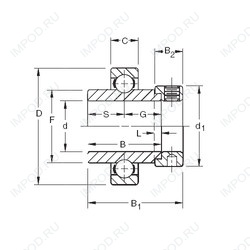
SM1011K — Радиальный шарикоподшипник, импортное производство по ISO стандарту, размер 17x40x27 номер основного исполнения .
Производитель: TIMKEN.
К = Коническая посадка, конусность 1:12.
Цена по запросу
Цена на подшипник зависит от:
Габаритные размеры
Размеры и геометрические характеристики
Нагрузка и ресурс
Защита
Присоединительные размеры
Конструкция и исполнение
Другие размеры
Подшипник шариковый радиальный 480203К
Подшипник шариковый радиальный 480203
Радиальный шарикоподшипник 1011KL (TIMKEN)
Радиальный шарикоподшипник 1011KRR (TIMKEN)
Радиальный шарикоподшипник 1011KLLB (TIMKEN)
Радиальный шарикоподшипник 1011KRRB (TIMKEN)