Главная > Подшипники> Шариковые> Радиальные>SM1008K

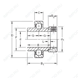
SM1008K — Радиальный шарикоподшипник, импортное производство по ISO стандарту, размер 12x40x27 номер основного исполнения .
Производитель: TIMKEN.
К = Коническая посадка, конусность 1:12.
Цена по запросу
Цена на подшипник зависит от:
Габаритные размеры
Размеры и геометрические характеристики
Нагрузка и ресурс
Защита
Присоединительные размеры
Конструкция и исполнение
Другие размеры
Радиальный шарикоподшипник 1008KRRB (TIMKEN)
Радиальный шарикоподшипник 1008KLL (TIMKEN)
Радиальный шарикоподшипник 1008KLLB (TIMKEN)
Подшипник для корпуса 1008KRR (TIMKEN)
Радиальный шарикоподшипник 1008KL (TIMKEN)
Подшипник для корпуса G1008KRRB (TIMKEN)