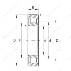
Главная > Подшипники>SL192322-TB

SL192322-TB — Цилиндрический роликоподшипник, импортное производство по ISO стандарту номер основного исполнения SL192322.
Производитель: INA.
ТВ = текстолитовый сепаратор, центрируемый по внутреннему кольцу.
Цена от:29 655 р.
Цена на подшипник зависит от:
| Обозначение | Модификация |
|---|---|
| SL192322 | Основное конструктивное исполнение. |
Габаритные размеры