Главная > Подшипники>SL192318-TB

SL192318-TB — Цилиндрический роликоподшипник, импортное производство по ISO стандарту номер основного исполнения SL192318.
Производитель: INA.
ТВ = текстолитовый сепаратор, центрируемый по внутреннему кольцу.
Цена от:17 520 р.
Цена на подшипник зависит от:
| Обозначение | Модификация |
|---|---|
| SL192318 | Основное конструктивное исполнение. |
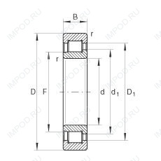
Габаритные размеры
Подшипник однорядный шариковый радиальный M6318 (KOYO)
Радиальный шарикоподшипник M6318ZZX (KOYO)
Цилиндрический роликоподшипник NJ3318 (CX, ISO)
Однорядный цилиндрический роликовый подшипник NJG 2318 VH (SIGMA, SKF)
Цилиндрический роликоподшипник NJF2318 V (CX, ISO)
Цилиндрический роликоподшипник NP318 E (CX)