Главная > Подшипники>SL183072-TB

SL183072-TB — Однорядный цилиндрический роликовый подшипник, импортное производство по ISO стандарту номер основного исполнения SL183072.
Производитель: INA.
ТВ = текстолитовый сепаратор, центрируемый по внутреннему кольцу.
Цена от:266 050 р.
Цена на подшипник зависит от:
| Обозначение | Модификация |
|---|---|
| SL183072 | Основное конструктивное исполнение. |
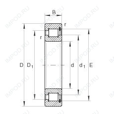
Габаритные размеры
Цилиндрический роликоподшипник NJ2072 (CX, ISO)
Цилиндрический роликоподшипник NN 3072 (CX, ISO, KOYO, NSK, NTN)
Подшипник роликовый цилиндрический двухрядный NN 3072 K/SPW33 (ISB, SKF)
Цилиндрический роликоподшипник NN 3072 K (CX, ISO, KOYO, NSK, NTN)
Подшипник роликовый цилиндрический двухрядный NN3072-AS-K-M-SP (FAG, INA)
Цилиндрический роликоподшипник NN3072KC1NAP4 (NTN)