Главная > Подшипники>SL183064-TB

SL183064-TB — Однорядный цилиндрический роликовый подшипник, импортное производство по ISO стандарту номер основного исполнения SL183064.
Производитель: INA.
ТВ = текстолитовый сепаратор, центрируемый по внутреннему кольцу.
Цена от:213 534 р.
Цена на подшипник зависит от:
| Обозначение | Модификация |
|---|---|
| SL183064 | Основное конструктивное исполнение. |
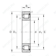
Габаритные размеры
Цилиндрический роликоподшипник NJ2064 (CX, ISO)
Подшипник роликовый цилиндрический двухрядный NN 3064 K/SPW33 (ISB, SKF)
Цилиндрический роликоподшипник NN 3064 K (CX, ISO, KOYO, NACHI, NSK)
Цилиндрический роликоподшипник NN 3064 (CX, ISO, KOYO, NACHI, NSK)
Цилиндрический роликоподшипник NN3064C1NAP4 (NTN)
Подшипник роликовый цилиндрический двухрядный NN3064-AS-K-M-SP (FAG, INA)