Главная > Подшипники>SL183060-TB

SL183060-TB — Однорядный цилиндрический роликовый подшипник, импортное производство по ISO стандарту номер основного исполнения SL183060.
Производитель: INA.
ТВ = текстолитовый сепаратор, центрируемый по внутреннему кольцу.
Цена от:169 550 р.
Цена на подшипник зависит от:
| Обозначение | Модификация |
|---|---|
| SL183060 | Основное конструктивное исполнение. |
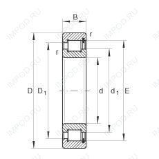
Габаритные размеры
Цилиндрический роликоподшипник NJ2060 (CX, ISO)
Подшипник роликовый цилиндрический двухрядный NN 3060 K/SPW33 (ISB, SKF)
Цилиндрический роликоподшипник NN 3060 K (CX, ISO, KOYO, NACHI, NSK)
Цилиндрический роликоподшипник NN 3060 (CX, ISO, KOYO, NACHI, NSK)
Цилиндрический роликоподшипник NN 3060 SPW33 (ISB)
Цилиндрический роликоподшипник NN3060KC1NAP4 (NTN)