Главная > Подшипники>SL183005

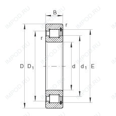
SL183005 — Однорядный цилиндрический роликовый подшипник, импортное производство по ISO стандарту основное исполнение.
Производится брендами: INA, ISO, NBS.
Цена от:757 р.
Цена на подшипник зависит от:
Габаритные размеры
Нагрузка и ресурс