Главная > Подшипники> Роликовые > Радиальные>SL182917

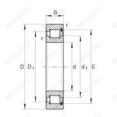
SL182917 — Однорядный цилиндрический роликовый подшипник, импортное производство по ISO стандарту основное исполнение.
Производится брендами: INA, ISO, NBS.
Цена от:3 006 р.
Цена на подшипник зависит от:
Габаритные размеры
Нагрузка и ресурс
Радиальный шарикоподшипник S61917-2RS (ZEN)
Радиальный шарикоподшипник S61917 (ZEN)
Цилиндрический роликоподшипник TRU 8512045UU (IKO)
Цилиндрический роликоподшипник TRU 8512045 (IKO)