Главная > Подшипники>SL182212

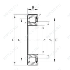
SL182212 — Однорядный цилиндрический роликовый подшипник, импортное производство по ISO стандарту основное исполнение.
Производится брендами: INA, ISO, NBS.
Цена от:3 125 р.
Цена на подшипник зависит от:
Габаритные размеры
Нагрузка и ресурс