Главная > Подшипники>SL182209

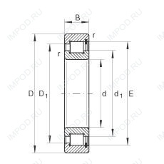
SL182209 — Однорядный цилиндрический роликовый подшипник, импортное производство по ISO стандарту основное исполнение.
Производится брендами: INA, ISO, NBS.
Цена от:1 869 р.
Цена на подшипник зависит от:
Габаритные размеры
Нагрузка и ресурс
Подшипник упорный шариковый одинарный 6-8309 Б (ГПЗ-2)
Подшипник шариковый упорный 8309 К (ГПЗ-20)
Подшипник роликовый упорный 889309 К (ГПЗ-4)
Подшипник однорядный шариковый радиальный M6209ZZ (KOYO)
Подшипник однорядный шариковый радиальный M6209 (KOYO)
Подшипник для корпуса MUC209 (NACHI)