Главная > Подшипники> Роликовые > Радиальные>SL181888-E

SL181888-E — Однорядный цилиндрический роликовый подшипник, импортное производство по ISO стандарту номер основного исполнения SL181888.
Производитель: INA.
Е = Увеличенная грузоподъемность.
Цена от:97 285 р.
Цена на подшипник зависит от:
| Обозначение | Модификация |
|---|---|
| SL181888 | Основное конструктивное исполнение. |
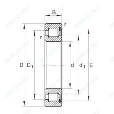
Габаритные размеры
Подшипник шариковый упорный 6-9008188 Л (ГПЗ-1)
Подшипник упорный с короткими цилиндрическими роликами однорядный без колец 999188
Цилиндрический роликоподшипник RS-4888E4 (NSK)
Цилиндрический роликоподшипник RSF-4888E4 (NSK)
Подшипник роликовый упорный 81188 (CX, ISO, NIS)