Главная > Подшипники>SL181860-E

SL181860-E — Однорядный цилиндрический роликовый подшипник, импортное производство по ISO стандарту номер основного исполнения SL181860.
Производитель: INA.
Е = Увеличенная грузоподъемность.
Цена по запросу
Цена на подшипник зависит от:
| Обозначение | Модификация |
|---|---|
| SL181860 | Основное конструктивное исполнение. |
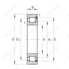
Габаритные размеры
Подшипник шариковый упорно-радиальный 5В0-168160 (ГПЗ-1)
Подшипник шариковый упорный 5В0-8160 ЛУ (ГПЗ-1)
Подшипник шариковый упорно-радиальный 8-168160 (ГПЗ-1)
Подшипник шариковый упорно-радиальный С8-168160 (ГПЗ-1)
Подшипник упорный с короткими цилиндрическими роликами однорядный без колец 999160
Цилиндрический роликоподшипник NJ3860 (CX, ISO)