Главная > Подшипники>SL1818/670-E-TB

SL1818/670-E-TB — Однорядный цилиндрический роликовый подшипник, импортное производство по ISO стандарту номер основного исполнения .
Производитель: INA.
E = Увеличенная грузоподъемность. T = Клетка из армированного стекловолокном полиамида.
Цена от:223 896 р.
Цена на подшипник зависит от:
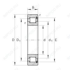
Габаритные размеры
Цилиндрический роликоподшипник NJ18/670 (CX, ISO)
Цилиндрический роликоподшипник NP18/670 (CX, ISO)
Цилиндрический роликоподшипник NU 18/670 (CX, ISB, ISO, KOYO)
Цилиндрический роликоподшипник NU38/670 (NTN)
Цилиндрический роликоподшипник NUP18/670 (CX, ISO)