Главная > Подшипники> Шарнирные скольжения>SIR90ES-D

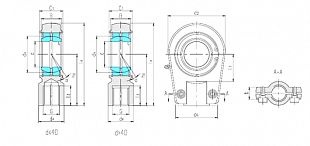
SIR90ES-D — Радиальный сферический подшипник скольжения, импортное производство по ISO стандарту номер основного исполнения .
Производитель: LS.
E = Увеличенная грузоподъемность. S = кольцевой канал с двумя отверстиями для смазки во внутреннем и наружном кольце.
Цена по запросу
Цена на подшипник зависит от:
Габаритные размеры
Размеры и геометрические характеристики
Нагрузка и ресурс
Защита
Присоединительные размеры
Другие размеры
Радиальный сферический подшипник скольжения SIRN90ES-D (LS)
Радиальный сферический подшипник скольжения SIRN90ES (LS)
Радиальный сферический подшипник скольжения SIR90ES (LS)