Главная > Подшипники> Шарнирные скольжения>SIR60ES-D

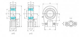
SIR60ES-D — Радиальный сферический подшипник скольжения, импортное производство по ISO стандарту номер основного исполнения .
Производитель: LS.
E = Увеличенная грузоподъемность. S = кольцевой канал с двумя отверстиями для смазки во внутреннем и наружном кольце.
Цена от:9 392 р.
Цена на подшипник зависит от:
Габаритные размеры
Размеры и геометрические характеристики
Нагрузка и ресурс
Защита
Присоединительные размеры
Другие размеры
Радиальный сферический подшипник скольжения SAA60TXE-2LS (SKF)
Сферический шарнирный подшипник SA60TXE-2LS (SKF)
Сферический шарнирный подшипник SI60TXE-2LS (SKF)
Радиальный сферический подшипник скольжения SI60ET-2RS (AST, LS)
Радиальный сферический подшипник скольжения SILA60TXE-2LS (SKF)
Сферический шарнирный подшипник SILA60ES-2RS (SKF)